直線振動篩廠家YZS振動電機產品介紹:
YZS系列振動電機是各種振動設備的激振源。YZS振動電機具有激振力利用率高、能耗小、噪音低、壽命長,激振力可以無級調節,使用方便等優點,振動電機可以應用于一般振動機械,如:振動破碎機、振動篩分機、振動打包機、振動落砂機、振動造型機、振動打樁機、振動提升機、振動充填機、料倉的振動破拱防閉塞裝置等等。廣泛的應用在水電建設、火力發電、建筑、建材、化工、采礦、煤炭、冶金、輕工等工業部門。振動電機除了可以應用與一般振動機械外,還可以組合多種振動形式。如:平旋型,渦旋型,搖動振動型,組合直線型,組合長橢圓型,復合雙頻型,復合雙幅型等。由這些振動形式可以產一些過去所沒有的新型振動機械。
YZS振動電機的特點:
l、全封閉結構,可在任何無防爆要求、無導電粉塵的條件下工作。
2、激振力受電源電壓波動的影響小,并可根據振動電機的安裝方式改變激振力的方向。
3、只須調整偏心塊的夾角,就可無級調整激振力大小,使用和維修方便。
4、采用強阻型振動,具有穩定的振幅,激振力大,機體重量輕,體積小。
產品使用條件:
環境溫度:-15~+40℃ 電 源:380V,50Hz
工作方式:Sl 海拔高度:<1000M
絕緣等級:B、F級 相對濕度:不大于90%(25℃)
產品型號意義:

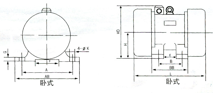
YZS振動電機平面圖:

YZS(YZVP)系列振動電機技術參數及安裝尺寸:

注:YZVP變頻振動電機,雙速振動電機及JZO振動電機為預定產品,定貨前需將最大激振力、額定功率、電源電壓、頻率、同步轉速、工作制等告知。
